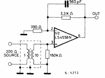
El circuito integrado utilizado, en realidad, es un doble 741 de la SGS. El transformador es el componente crítico del diseño, siendo indicado para micrófonos de baja impedancia. La fuente de alimentación debe ser simétrica de 12 a 15 V.

El circuito integrado utilizado, en realidad, es un doble 741 de la SGS. El transformador es el componente crítico del diseño, siendo indicado para micrófonos de baja impedancia. La fuente de alimentación debe ser simétrica de 12 a 15 V.
