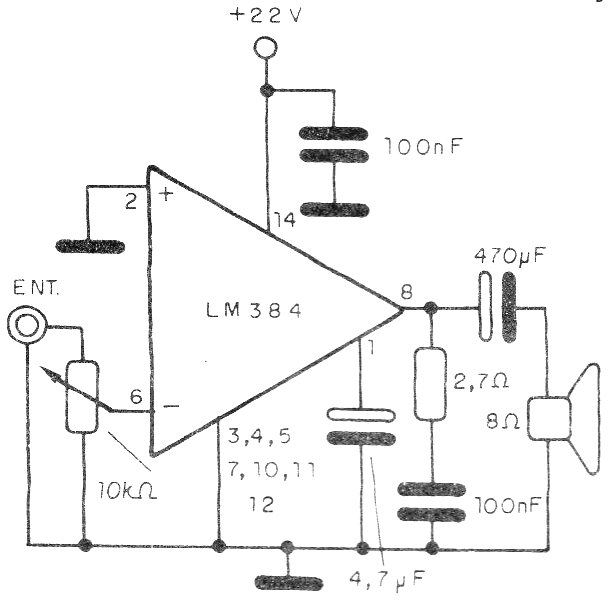
Este circuito, encontrado en una documentación de 1992, utiliza un circuito integrado poco común actualmente. Con pocos componentes, proporciona 5 W de buen audio, habiendo sido muy utilizado en equipos comerciales de la época. El circuito integrado debe estar dotado de un disipador de calor. La ganancia de tensión es 50.

Amplificador de 5 W LM384 (CIR2596S)
Este circuito, encontrado en una documentación de 1992, utiliza un circuito integrado poco común actualmente. Con pocos componentes, proporciona 5 W de buen audio, habiendo sido muy utilizado en equipos comerciales de la época. El circuito integrado debe estar dotado de un disipador de calor. La ganancia de tensión es 50.




