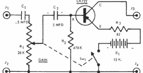
Este circuito es de una documentación de Raytheon de 1957. El auricular debe ser de alta impedancia con 600 ohms o más y los transistores equivalentes se pueden utilizar como el BC548.

Este circuito es de una documentación de Raytheon de 1957. El auricular debe ser de alta impedancia con 600 ohms o más y los transistores equivalentes se pueden utilizar como el BC548.
