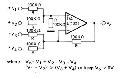
Este amplificador sumador con el operacional LM324 es del manual de circuitos integrados de la SGS de 1982. La fórmula junto al diagrama es válida para la configuración de entrada mostrada. La fuente de alimentación debe ser simétrica.

Este amplificador sumador con el operacional LM324 es del manual de circuitos integrados de la SGS de 1982. La fórmula junto al diagrama es válida para la configuración de entrada mostrada. La fuente de alimentación debe ser simétrica.
