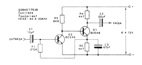
El circuito abajo tiene una ganancia de 75 dB siendo ideal para trabajar con señales de micrófonos y otras fuentes de señales débiles que no logran excitar convenientemente la entrada de amplificadores. El circuito tiene un consumo muy bajo y puede ser alimentado por pilas o batería. La impedancia de entrada es del orden de 3,9 k y el rango de operación va de 40 Hz a 30 kHz.




