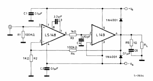
Encontramos este circuito en el manual de circuitos integrados lineales de la SGS de 1982. El L149 no es muy común actualmente y el circuito puede ser implementado con equivalentes.

Encontramos este circuito en el manual de circuitos integrados lineales de la SGS de 1982. El L149 no es muy común actualmente y el circuito puede ser implementado con equivalentes.
