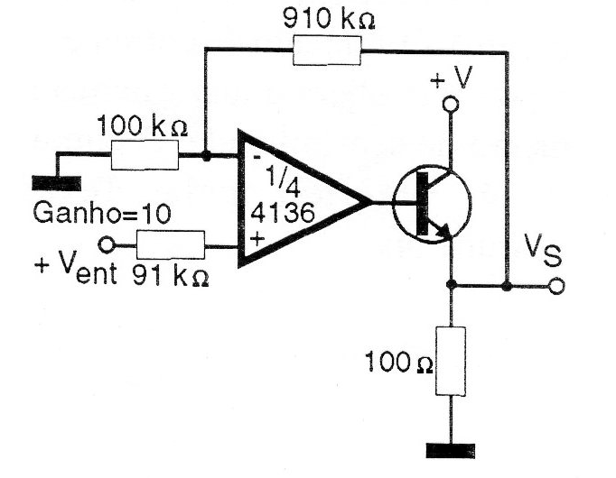
La potencia de salida de un amplificador operacional puede ser aumentada con el uso de un transistor de potencia como el BD135 o TIP31. El 4136 no es más que un 741 cuádruple, lo que significa que esta configuración cuya ganancia de tensión es 10 se puede utilizar con prácticamente cualquier amplificador operacional. La fuente de alimentación debe ser simétrica y la resistencia de retroalimentación de 910 k se puede cambiar según la ganancia deseada.




