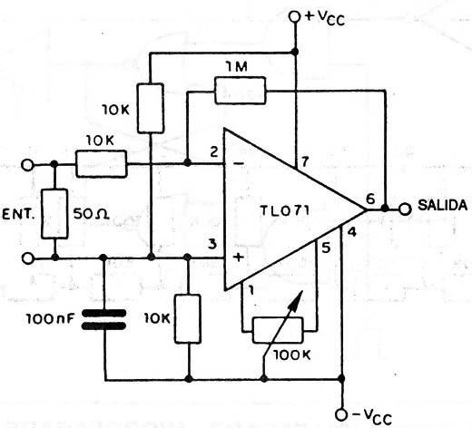
Este amplificador opera con serial alterna y no hace uso de fuente simétrica. Sugerido por Texas Inst., presenta una impedancia de entrada de 50 ohm y el punto de funcionamiento para mayor simetría de la serial se obtiene en el potenciômetro de 100 k.

Amplificador AC



