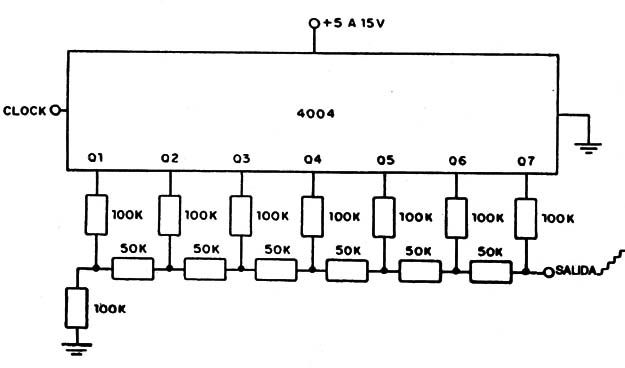
Esta configuración produce una senal cuya tensión depende del número de pulsos aplicados a la entrada. Podemos obtener niveles escalonados de 0 a 7, en función de los pulsos de entrada.

Conversor Digital Para Analógico
Esta configuración produce una senal cuya tensión depende del número de pulsos aplicados a la entrada. Podemos obtener niveles escalonados de 0 a 7, en función de los pulsos de entrada.
