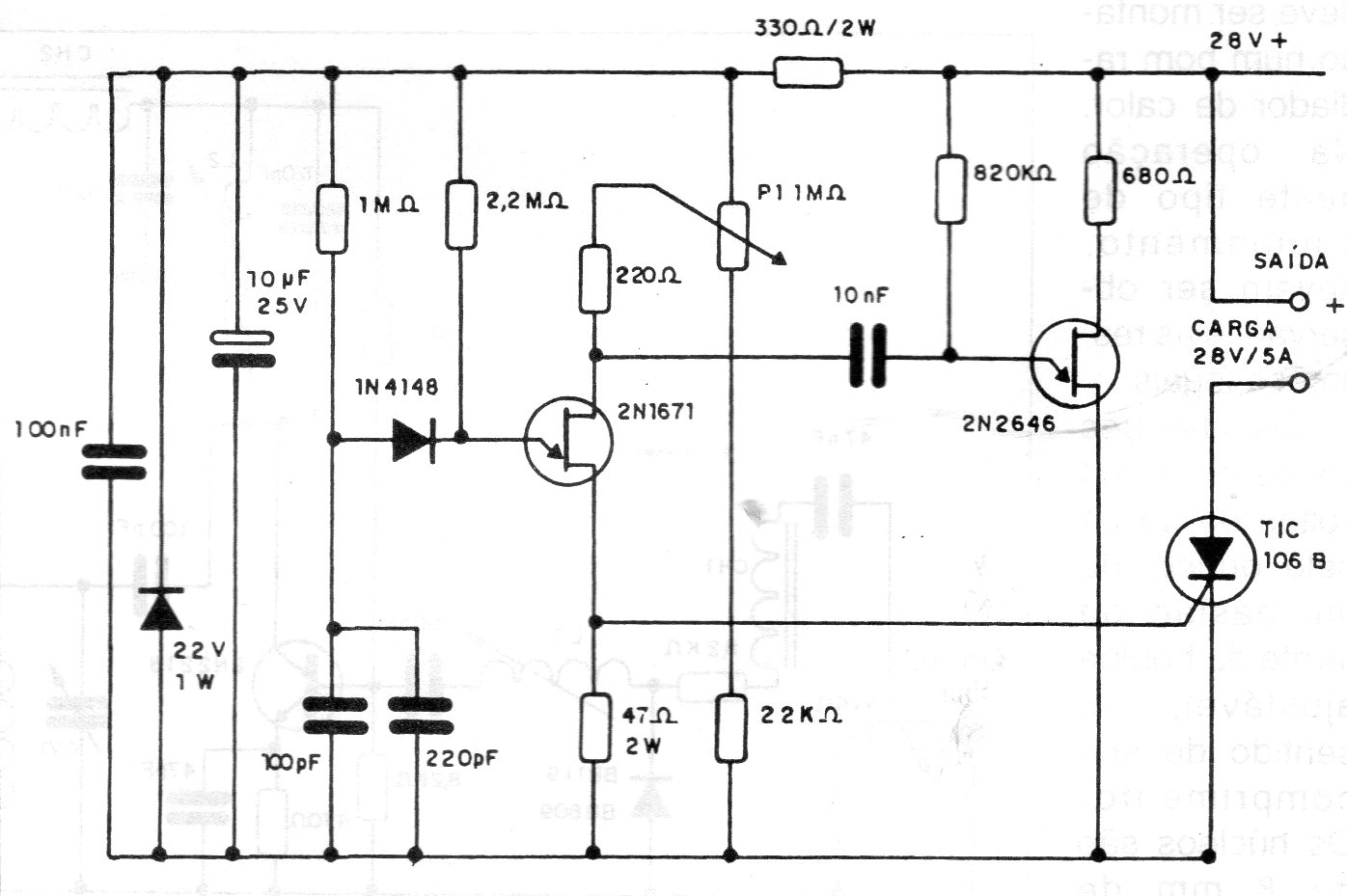
Este simple temporizador, basado en transistores unijuntura y SCR es de una documentación de 1995. La temporización máxima depende de los condensadores electrolíticos y el ajuste hecho en un trimpot. El circuito puede accionar directamente una carga de corriente continua. La alimentación debe realizarse con tensión entre 24 y 28 V.




