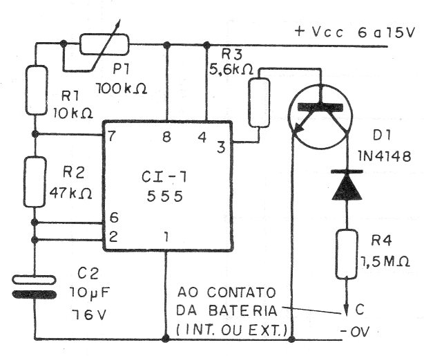
Conectado al contacto de una batería (por ejemplo, el plato del címbalo), este circuito de una documentación de 1993 produce la marcación automática del compás. El circuito debe ser alimentado por la propia fuente de la batería o pilas con una tierra en común. P1 ajusta el ritmo.




