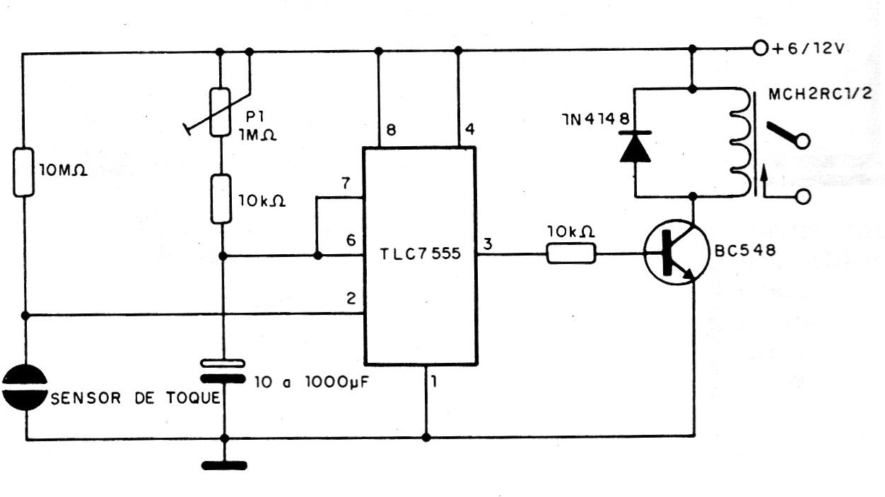
En la figura tenemos una configuración interesante en la que aprovechamos la elevadísima impedancia de entrada del perno de disparo del TLC7555 en la configuración monoestable, para elaborar un interruptor de toque temporizado o un temporizador temporizado. Los resistores de valores tan altos como 50 M ohms se pueden utilizar en la polarización de entrada de disparo de este integrado, lo que garantiza una enorme sensibilidad al circuito. La temporización en esta aplicación se ajusta en el potenciómetro P1.




