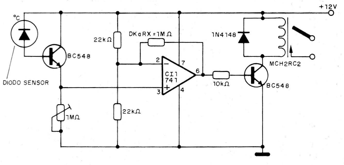
Este circuito utiliza un diodo común de uso general como sensor. El ajuste del punto de disparo se realiza en el trimpot. El relé es de 12 V con corriente de accionamiento de 50 mA. Se pueden utilizar otros operativos, incluidos los comparadores de la serie LM139.




