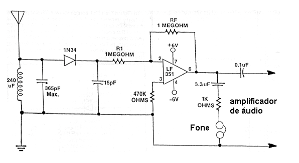
Este circuito fue adaptado de la publicación americana Electronics Handbook Volumen XIII de 1993. Sintoniza las estaciones de onda media permitiendo su escucha en un auricular o en un altavoz cuando se utiliza un amplificador externo. El amplificador operacional puede ser el 741 y la fuente debe ser simétrica. La bobina consta de 100 espiras de hilo 28 o 30 AWG en un cable de escoba o tubo de PVC de 1 pulgada. RF determina la ganancia del circuito que puede cambiar. La antena puede ser un pedazo de cable a partir de 2 metros y para las estaciones fuertes no hay necesidad de conexión a tierra.




