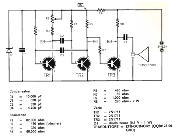
Este circuito consiste en un transmisor ultrasónico para alarma encontrado en una revista italiana Elettronica Práctica (número 9) de 1977. El elemento crítico es el transductor de 42 kHz que puede ser sustituido por equivalente que opere en la misma frecuencia




