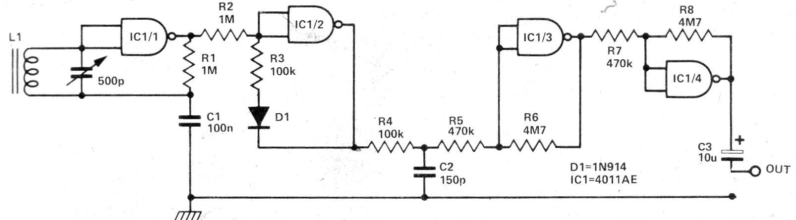
L1 está formada por unas 80 espiras de hilo 28 en un bastón de ferrita para la captación de la banda de ondas medias. El circuito puede ser alimentado por tensiones de 5 a 12 V y la salida puede ser hecha en una cápsula piezoeléctrica. El circuito es de una documentación de 1978.




