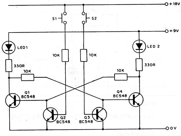
El cambio de estado de conducción/no conducción (corte/saturación) de los transistores que excitan los LEDs se hace presionando los interruptores. La alimentación debe hacerse con fuente de dos tensiones.

Biestable
El cambio de estado de conducción/no conducción (corte/saturación) de los transistores que excitan los LEDs se hace presionando los interruptores. La alimentación debe hacerse con fuente de dos tensiones.
