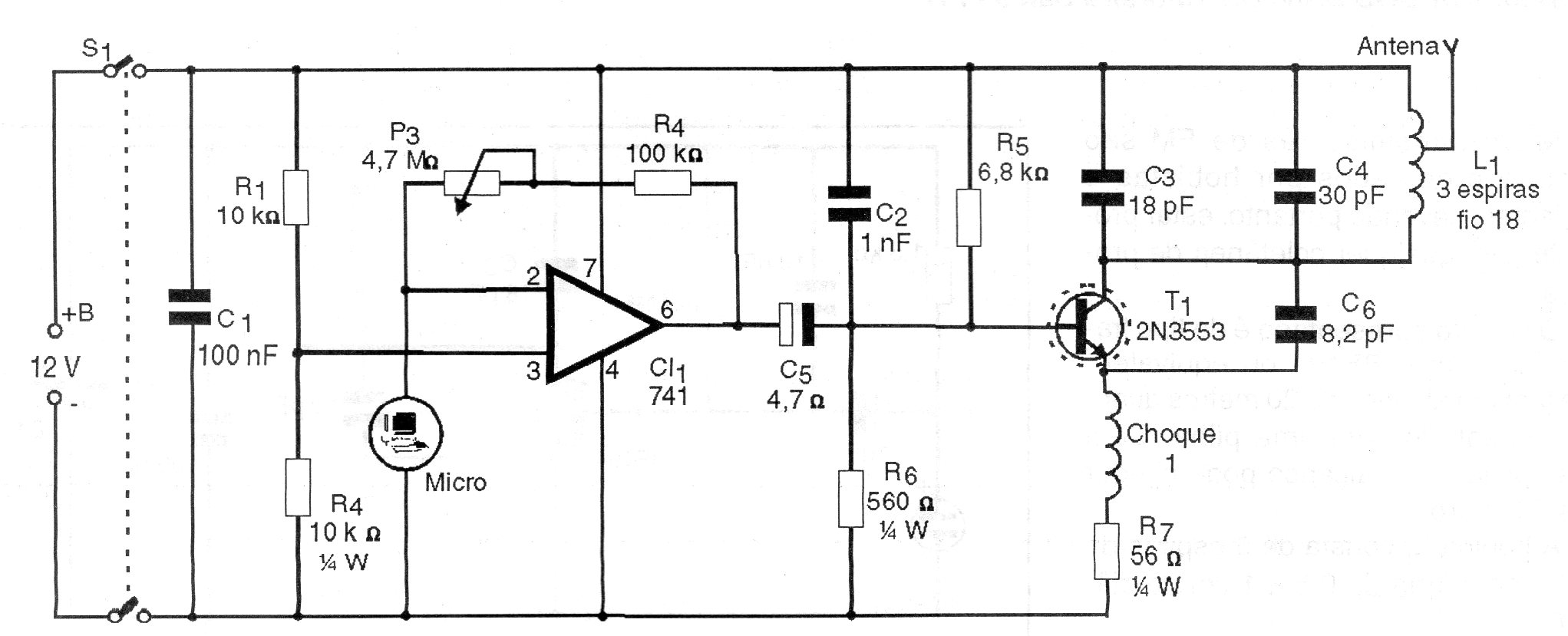
Este transmisor de FM se ha encontrado en una revista de 1997, pero aún puede montarse con facilidad.fio 18 en forma de 1 cm sin núcleo y la antena está conectada a la toma central. El circuito debe ser alimentado por batería o buena fuente con al menos 2 A y el transistor debe estar dotado de un disipador de calor. El choque XRF está formado por 200 espiras de hilo 32 en un resistor de 100 k x ½ W.




