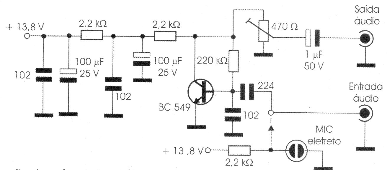
El circuito presentado está destinado a los radioaficionados que desean utilizar cápsulas de 500 ohms de micrófonos en otras aplicaciones como, por ejemplo, excitando amplificadores de potencia. Los componentes usados ??son comunes, ya que el montador sólo tiene cuidado con las conexiones que deben ser las más cortas posibles y los cables de señal blindados. Los capacitores deben ser de buena calidad y en el trimpot se ajusta la ganancia del circuito para mejor rendimiento. La alimentación debe venir de la misma fuente que alimenta el aparato con que el circuito va a funcionar o si es de otra tensión, debe ser usada fuente muy bien filtrada para que no ocurran roncos. El transistor utilizado debe ser preferentemente el indicado por ser una unidad de alto ganancia y bajo nivel de ruido. Para utilizar micrófonos de electreto tenemos el circuito adjunto en el que un resistor de 2,2 k ohms se utiliza en la polarización. El capacitor de 220 nF (224) debe ser cerámico de buena calidad. (2005)




