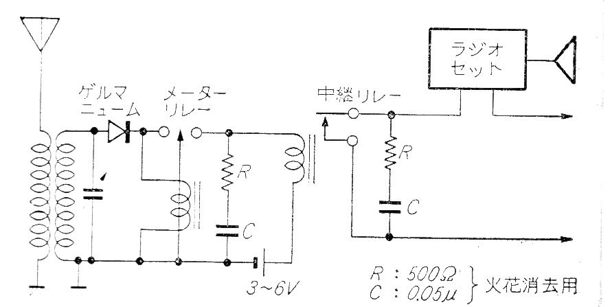
Este circuito utiliza un vibrador sensible que se puede elaborar con un reed-switch para accionar un relé a partir de señales intensas. El circuito sirve para un control de muy corto alcance o experimental. La bobina receptora depende de la frecuencia de la señal de accionamiento. El circuito es de una documentación japonesa de los años 60.




