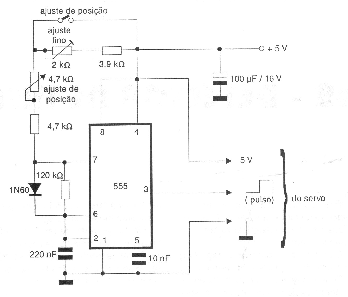
Este circuito simple permite controlar los servos de control remoto que operan con pulsos. El circuito es alimentado por 5 V y tiene un ajuste de posición central del servo.
La frecuencia máxima de este oscilador, en el caso de 100 kHz, depende del funcionamiento utilizado. La...
Se trata de un interesante juguete que contiene varios potenciómetros y llaves posibilitando a los niños...
En realidad, se trata de un detector de señales que acusa la presencia de oscilaciones de altas...