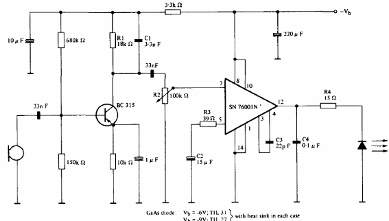
El circuito transmisor para un intercomunicador por infrarrojo es de Texas Instruments. El operacional admite el equivalente y el transistor puede ser el BC558. Observe la polaridad de la alimentación. El circuito utiliza el micrófono de cerámica, pero puede ser adaptado para usar el electreto.




