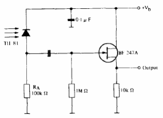
El circuito es del manual de optoelectrónica de Texas Instruments. El condensador depende de la frecuencia de la señal recibida y la alimentación puede permanecer entre 15 y 25 V típicamente.

El circuito es del manual de optoelectrónica de Texas Instruments. El condensador depende de la frecuencia de la señal recibida y la alimentación puede permanecer entre 15 y 25 V típicamente.
