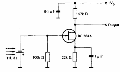
El circuito seleccionado del manual de optoelectrónica de Texas Instruments funciona con sensores fotoeléctricos en el modo generador de tensión. El FET puede ser equivalente como el BF245 y la tensión puede quedar entre 9 y 15 V.
.

El circuito seleccionado del manual de optoelectrónica de Texas Instruments funciona con sensores fotoeléctricos en el modo generador de tensión. El FET puede ser equivalente como el BF245 y la tensión puede quedar entre 9 y 15 V.
.
