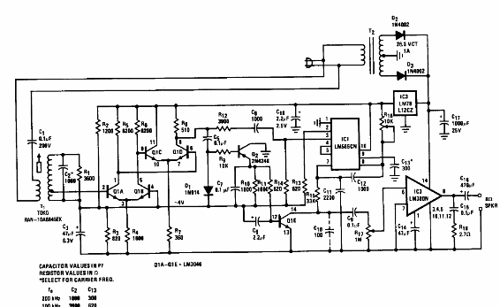
El circuito presentado es el receptor para el CIR5645S, también sugerido por National Semiconductor. La bobina es igual a la del transmisor y el amplificador de audio puede ser equivalente más moderno o externo. La matriz de transistores puede ser sustituida por equivalentes discretos.




