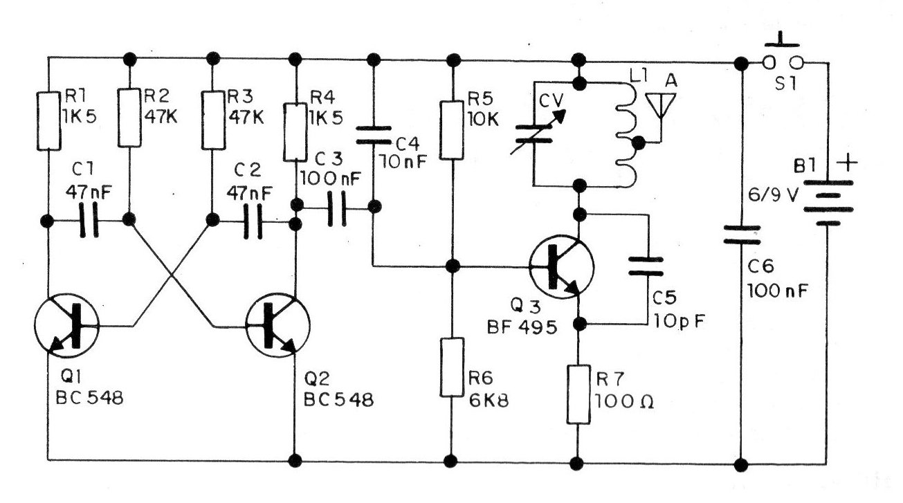
Este transmisor simple modulado en tono puede operar entre 27 y 100 MHz dependiendo de la bobina. Para el rango de FM enrolle 3 + 3 espiras de hilo 18 a 22 con un diámetro de 1 cm sin núcleo. La antena puede ser de tipo telescópico de 15 a 50 cm de longitud. La alimentación se puede realizar con pilas o baterías.




