Este antiguo oscilador que hace uso de transistores de germanio utiliza un auricular de alta impedancia como inductor para generar la señal. Los transistores pueden ser intercambiados por tipos de silicio como el BC558, pero éstos necesitan una tensión un poco mayor para oscilar. El potenciómetro de ajuste puede ser de 47 k ohms que es el valor predeterminado actual recomendado.

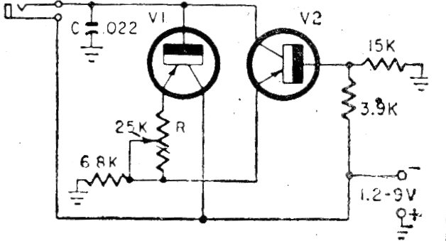
Oscilador de dos transistores (CIR1287S)
Este antiguo oscilador que hace uso de transistores de germanio utiliza un auricular de alta impedancia como inductor para generar la señal. Los transistores pueden ser intercambiados por tipos de silicio como el BC558, pero éstos necesitan una tensión un poco mayor para oscilar. El potenciómetro de ajuste puede ser de 47 k ohms que es el valor predeterminado actual recomendado.




