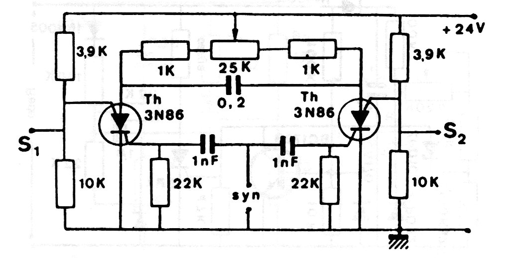
Este circuito puede tanto generar señales en la forma asimétrica como ser sincronizado externamente, controlando cargas de potencia externas. El circuito es de una documentación antigua y los SCR pueden ser equivalentes modernos.
Oscilador de Señalización con SCR (CIR1516S)
Este circuito puede tanto generar señales en la forma asimétrica como ser sincronizado externamente, controlando cargas de potencia externas. El circuito es de una documentación antigua y los SCR pueden ser equivalentes modernos.




