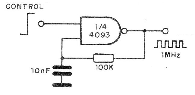
Con la elevación del nivel de control de 0 a 1 (LO para HI) ocurre la activación de este circuito, que entra en oscilación en una frecuencia en torno a 1 MHz. Para otras frecuencias, basta con cambiar el valor del capacitor. La forma de onda de la señal de salida es rectangular y las demás puertas del 4093 se pueden utilizar para otras aplicaciones. El circuito se puede utilizar como shield para microcontroladores.




