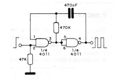
Este oscilador se puede utilizar como CIock-Gatillo para diversas aplicaciones electrónicas inclusive shields. Sólo se produce la oscilación cuando la entrada E está en el nivel 1. La frecuencia se da con aproximación por la misma fórmula del caso anterior (CIR2925S). Para el 4011 la frecuencia máxima de oscilación es alrededor de 1 MHz. Para modificar la frecuencia es conveniente cambiar el condensador y no el resistor.




