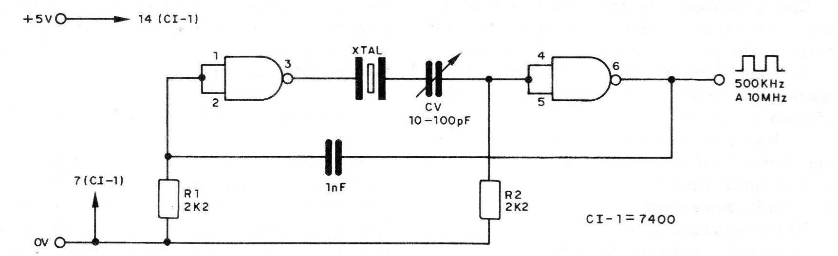
El oscilador mostrado en la figura utiliza dos puertas NAND de las cuatro existentes en un integrado TTL 7400. El cristal utilizado opera en la frecuencia fundamental y puede tener valores entre 500 kHz y 10 MHz. El trimmer CV permite ajustar el punto ideal de oscilación con mayor rendimiento para el rendimiento circuito. La alimentación debe realizarse con una tensión de 5 V y la señal obtenida en la salida es rectangular. Este circuito puede ser utilizado como base de tiempo de instrumentos digitales, tales como frecuencímetros, contadores, cronómetros, etc.




