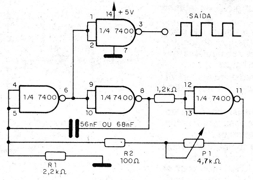
El circuito presentado consiste justamente en un oscilador (multivibrador) que aprovecha las 4 puertas de este integrado. En la figura tenemos el diagrama de este oscilador. El potenciómetro P1, de 4,7 k ohms permite variar la frecuencia en el rango de aproximadamente 300 Hz a 25 kHz, lo que nos da una relación de más de 80 a 1. El capacitor C1 puede ser cambiado a otras bandas de frecuencia. Observe que cada una de las cuatro puertas está conectada como un inversor, lo que nos lleva a una especie de amplificador digital con retroalimentación positiva. Para aislar el circuito oscilador de la carga externa, el último puerto se utiliza como buffer. De esta forma, la presencia de la carga no altera las características del oscilador, que se mantienen estables. La señal evidentemente es rectangular, y puede ser usado como reloj para circuitos digitales de la familia TTL.




