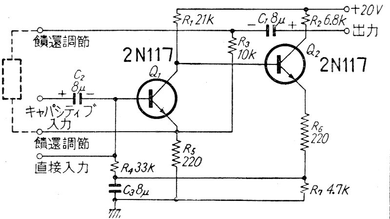
Encontramos este circuito en una documentación japonesa de los años 60. La frecuencia depende del cristal usado. Se pueden utilizar transistores equivalentes modernos y la alimentación debe realizarse con una tensión de 20 V.
En la figura tenemos un diagrama de un termostato que utiliza un NTC y un amplificador operacional 751....
Esta llave de toque aparece en otros puntos de esta sección y de este sitio. Con ella podemos...
El circuito seleccionado genera pulsos de 1 ms. Encontramos la configuración en un manual de...