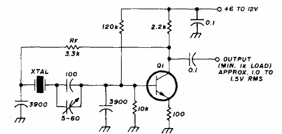
Encontramos este oscilador en una documentación para radioaficionados de 1979. El circuito puede usar transistores como el BC548, BF494 y otros. La frecuencia depende del cristal. La señal es de pequeña intensidad y tiene una amplitud de 1 a 1,5 V según se indica en el diagrama.




