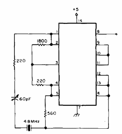
El circuito integrado de esta configuración de 1976 es el 7400 y el cristal del tipo en televisores de la época. El circuito debe ser alimentado con 5 V y la señal generada es rectangular. Observamos que a pesar de ser TLL, la señal de salida por la frecuencia elevada puede no ser perfectamente rectangular. Sin embargo, el circuito es compatible con esta lógica.




