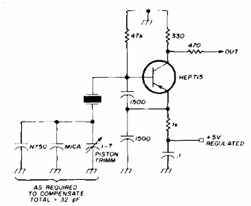
La frecuencia de este oscilador, que se encuentra en un documento técnico de los años 70, está determinada por el cristal. El transistor puede ser el BF494 o 2N2222. Los condensadores deben ser cerámicos. La frecuencia máxima generada depende de las características del transistor. El circuito tiene salida compatible TTL.




