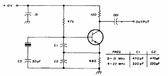
Este oscilador, de un manual de radioaficionados de 1978, puede oscilar en frecuencias de 2 a 22 MHz en el modo fundamental. Los componentes tienen cambios de valores según la segunda pista de la tabla en el diagrama. El transistor puede ser el BF494 o 2N2222. El circuito es de baja potencia debiendo excitar etapas de amplificación en el caso de un transmisor.




