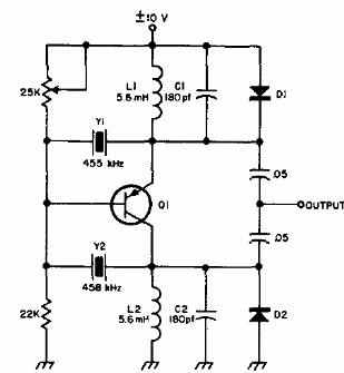
El circuito presentado, de una documentación para radioaficionados de 1974, genera dos frecuencias diferentes, según los cristales utilizados. El transistor puede ser el 2N2222 o BF494. La señal de baja intensidad se puede utilizar para excitar etapas de mayor potencia en transmisores.




