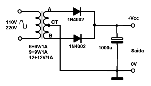
Esta fuente puede ser utilizada en circuitos que no requieren voltajes regulados y que pueden ser alrededor de 6 V, 9 V o 12 V con corrientes hasta 1 A. que es válido para el caso de los microcontroladores como Arduino que ya tienen los reguladores en sus placas. El transformador tiene primario según la red local y el capacitor de 1000 µF puede tener valores más grandes, para un nivel más bajo de la ondulación. Además de microcontroladores que pueden ser alimentado sin problemas por esta fuente podemos citar también LED, motores y solenoides.




