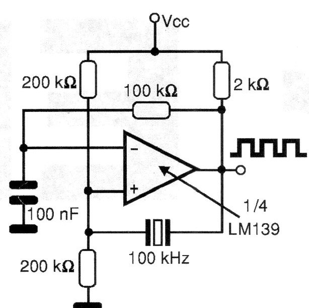
Esta es una de las configuraciones posibles utilizando el comparador de tensión LM139, 239 o 339. El circuito no necesita una fuente simétrica y la frecuencia máxima está alrededor de algunos megahercios. La señal de salida es rectangular con aproximadamente 50% de ciclo activo.




