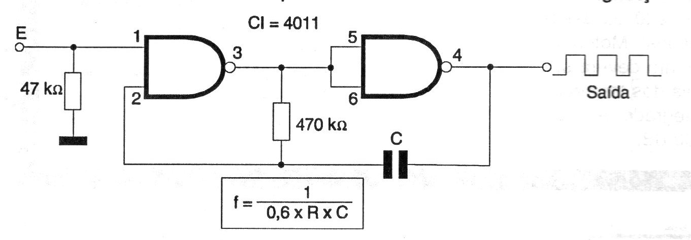
Este oscilador está habilitado cuando un nivel alto se aplica a la entrada de control. La frecuencia de operación es dada por la fórmula junto al diagrama. La alimentación positiva del circuito se realiza en el pin 14 y la negativa en el pasador 7 con tensiones en el rango de 3 a 15 V. La frecuencia máxima de funcionamiento del circuito está en torno a 4 MHz y depende de la tensión de alimentación. Otros puertos similares de la familia CMOS se pueden utilizar en la misma configuración




