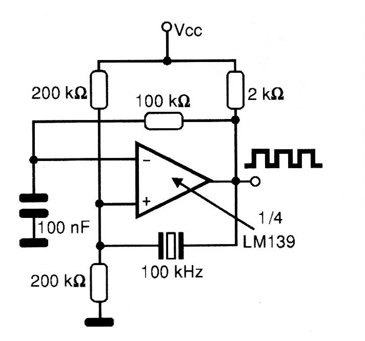
Un cuarto de un comparador de tensión LM139 o equivalente de National Semiconductor, se utiliza en este oscilador que genera una señal rectangular de 100 kHz controlada por un cristal de cuarzo. El circuito necesita una fuente simétrica y los demás componentes no son críticos.




