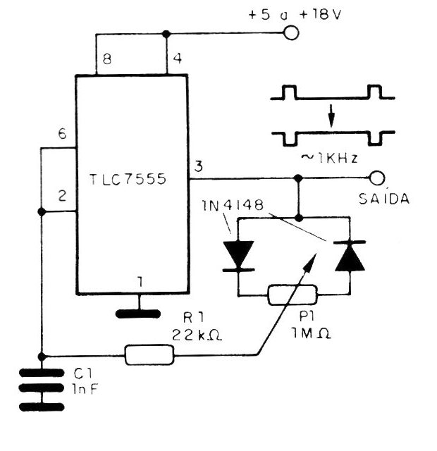
Para conseguir una señal con relación marca / espacio variable en una proporción de 1 a 20 a 20 para 1, tenemos el circuito de la figura. La frecuencia es dada por el capacitor C1 que puede tener valores entre 220 pF y 220 uF. La tensión de alimentación del circuito puede variar entre 5 y 18 V. El trimpot (o pote) P1 ajusta la relación marca / espacio de la señal generada. Hay una pequeña dependencia de la frecuencia de la señal generada cuando se ajusta la relación marca / espacio. El pasador 4 del circuito integrado TLC7555 se puede utilizar para controlar externamente la operación del oscilador. Llevado al nivel bajo, inhibe la operación del astable.




