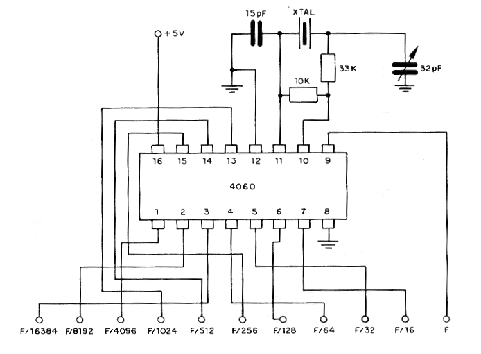
La frecuencia de un cristal (hasta 1 MHz) puede ser dividida por potencias de 2 a 16384 utilizando el circuito integrado 4060. Este circuito integrado cuenta con un oscilador interno, comandado externamente por un cristal el circuito RC y una cadena de divisores, con acceso a partir de f / 16, como muestra el diagrama. En el curso de Electrónica Digital, disponible para descargar en el sitio, más sobre este divisor. La alimentación se puede realizar con tensiones entre 5 y 12 V.




