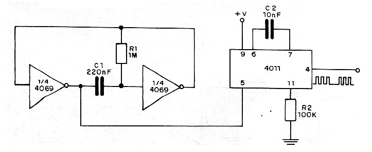
Este circuito genera trenes de pulsos a intervalos regulares determinados por R1 y C1 y de frecuencia determinada por C2 y R2. Estos componentes se pueden cambiar en una amplia gama de valores. Los circuitos CMOS pueden ser alimentados con tensiones de 5 a 15 V. Véase en la sección de ideas prácticas o datasheets el pinado del 4069. Este pinado también está disponible en el Curso de Electrónica Digital.




