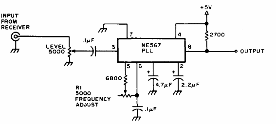
Este Shield reconoce una señal de cierta frecuencia (hasta 100KHz) obtenida de un receptor, cambiando el nivel de su salida de alto a bajo. Podemos utilizar en un control remoto o automatismo micro controlado o incluso un enlace de la seguridad del por tono microcontrolado. El potenciómetro de 5000 ohm o 4K7 controla la sensibilidad del circuito.

Shield Detector De Tono



