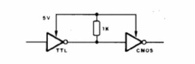
En la figura muestra la forma correcta de interfacear un TTL salida 5 V de un microcontrolador con lógica CMOS. Cuando la lógica de lógica TTL y CMOS son 5 V, la interfaz se puede hacer con sólo un resistor, como se muestra en el diagrama.

Interfaz TTL-CMOS Simple



