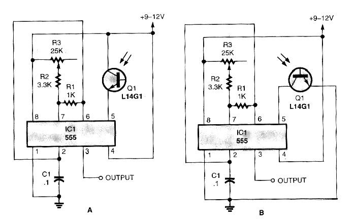
En la figura siguiente tenemos dos circuitos sugeridos por una revista del año 2000. La revista ya no existe, pero el circuito es actual y muy importante. Estos circuitos utilizan un foto-transistor para controlar la frecuencia de la señal generada. La frecuencia central depende de C1, R1 y R2 siendo ajustada en R3. En realidad, R3 puede tener valores de hasta 100 k ohms. En realidad, los circuitos pueden ser alimentados por tensiones a partir de 5 V. El foto-transistor puede ser de cualquier tipo.




