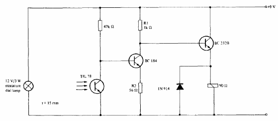
La distancia recomendada entre el emisor y el sensor de este acoplador es de 15 mm. El circuito es sugerido por Texas Instruments en su manual de optoelectrónica. La alimentación depende del relé y los transistores pueden ser los BC548.

La distancia recomendada entre el emisor y el sensor de este acoplador es de 15 mm. El circuito es sugerido por Texas Instruments en su manual de optoelectrónica. La alimentación depende del relé y los transistores pueden ser los BC548.
