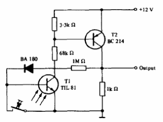
Esta configuración utiliza transistores complementarios siendo uno de ellos el foto-transistor. El otro puede ser un BC558. El circuito es de un manual de optoelectrónica de Texas Instruments. El circuito se puede utilizar como shield para microcontroladores.




